Обзор холодильного агрегата на базе компрессора Bock HGX88e/3235-4S
Холодильные агрегаты поддерживают минусовую температуру. Их используют для сохранения продукции, а также в медицинских целях, при проведении научных исследований и др. Их ключевая часть — это компрессор. Именно эта деталь отвечает за создание минусовой температуры. О ней мы поговорим подробнее.
Основные компоненты
Bock HGX88e/3235-4S относится к полупромышленным и промышленным поршневым компрессорам от компании BOCK GmbH. Эта компания известна своими высококачественными холодильными компрессорами.
Модель HGX88e/3235-4S оснащена современными технологиями, предназначена для работы в тяжелых условиях с высокой производительностью. Рассмотрим ее основные компоненты:
Поршневая группа
- Цилиндры. Компрессор оснащен четырьмя цилиндрами, которые расположены вертикально. Это обеспечивает равномерное распределение нагрузки, улучшение баланса сил.
- Поршни. Высокопрочные поршни с антифрикционным покрытием для уменьшения износа, повышения эффективности работы.
- Коленчатый вал. Высококачественный коленвал с противовесами для снижения вибраций и увеличения ресурса.
Головка блока цилиндров
- Клапанная система. Современная клапанная система обеспечивает эффективный газообмен, минимальное сопротивление потоку газа.
- Маслосъемные кольца. Специальные маслосъемные кольца для предотвращения попадания масла в камеру сжатия.
Система смазки
- Маслонасос. Маслонасос обеспечивает подачу масла ко всем трущимся деталям компрессора, что увеличивает ресурс, снижает трение.
- Маслобак. Емкость для хранения масла с фильтром для очистки масла от загрязнений.
- Маслораспылительное устройство. Распыление масла в картер для лучшего охлаждения и смазки.
Система охлаждения
- Радиатор охлаждения. Радиатор с большой площадью поверхности для эффективного охлаждения хладагента и масла.
- Вентилятор. Мощный вентилятор для принудительной циркуляции воздуха через радиатор.
Электрическая система
- Электрический двигатель. Высокоэффективный асинхронный двигатель с защитой от перегрузок, короткого замыкания.
- Система управления. Электронный блок управления для мониторинга параметров работы устройства, защиты от аварийных ситуаций.
Вспомогательное оборудование
- Манометры. Показывают давление всасывания и нагнетания хладагента.
- Реле давления. Защищает устройство от работы при недопустимо высоком или низком давлении.
- Фильтры. Фильтруют масло, хладагент от примесей и загрязнений.
Корпус и монтажные элементы
- Корпус. Прочный корпус из высококачественной стали, обеспечивающий защиту от внешних воздействий.
- Монтажные опоры. Резиновые антивибрационные опоры для снижения уровня шума и вибраций.
Bock HGX88e/3235-4S — это надежное и эффективное решение для промышленного и полупромышленного применения. Его продуманная конструкция, а также использование высококачественных материалов обеспечивают долгий срок службы, высокую производительность.
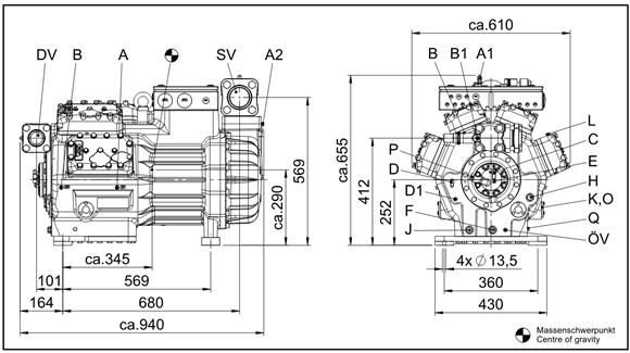
Внешний вид
Для большей наглядности представим вид и схему промышленного агрегата:

Дополнительные опции
Bock HGX88e/3235-4S, как и большинство промышленных компрессоров компании BOCK, предлагает ряд дополнительных опций. Они могут быть установлены для адаптации оснащения под конкретные требования заказчика или особые условия эксплуатации. Эти опции предназначены для повышения эффективности, надежности, а также удобства использования компрессора. Перечислим основные из них:
Система подогрева картера. Подогрев масла в картере компрессора особенно полезен в холодное время года. Он помогает избежать загустевания масла, облегчает запуск компрессора при низких температурах. Это улучшает пусковые характеристики агрегата, защищает подшипники и уменьшает износ при старте.
Электронный регулятор частоты вращения (ECM). Позволяет изменять частоту вращения вала в зависимости от текущих потребностей системы. Это обеспечивает точное регулирование производительности, поддержание стабильной температуры.
Система управления компрессором. Электронная система управления, которая отслеживает параметры работы устройства (давление, температура, частота вращения и др.) и автоматически регулирует его работу.
Интеграция с системой автоматизации. Возможность подключения компрессора к общей системе автоматизации предприятия (SCADA-система, PLC-контроллеры и т.п.). Среди преимуществ такого решения — упрощение управления, мониторинга всей холодильной установки, интеграция с другими производственными процессами.
Резервуар с жидкостным ресивером. Дополнительный резервуар для сбора и хранения жидкого хладагента позволяет стабилизировать работу системы, уменьшить колебания давления. За счет него гарантирована стабильная работа компрессора, уменьшение вероятности гидравлического удара.
Тепловой обменник масла. Устройство для дополнительного охлаждения масла компрессора. Особенно полезно при работе в условиях повышенных температур. Среди преимуществ — поддержание оптимальной вязкости масла, увеличение срока службы смазочных материалов.
И это лишь некоторых из опций, которые можно выбрать дополнительно и тем самым улучшить работу оснащения.
Где используется
HGX88e 3235 4S (производитель Bock) широко применяется в различных отраслях благодаря своей высокой производительности, надежности. В промышленной холодильной технике его используют для создания холодильных камер, морозильных установок, систем кондиционирования производственных помещений.
В пищевой промышленности агрегат задействован в холодильных складах и морозильных камерах, а также в установках для замораживания продуктов, таких как мясо, рыба, овощи и фрукты, обеспечивая точную регулировку температуры и соответствие строгим санитарно-гигиеническим нормам. В химической, а также фармацевтической отраслях компрессор применяется для охлаждения реакционных сосудов, поддержания температурных режимов в лабораториях и производственных цехах, демонстрируя совместимость с различными хладагентами и устойчивость к агрессивным средам.
В сельскохозяйственной отрасли компрессор Bock HGX88e 3235-4S с нагревателем используют в овощных и фруктовых хранилищах, молочно-фермерских комплексах, птицефабриках. Он показывает работоспособность в условиях повышенной влажности и загрязненности, а также устойчивость к экстремальным температурам.
В заключение
В компании «ГолдХолод» представлены холодильные агрегаты Bock . Работаем для вас с 2010 года, подбираем оптимальные решения под любые запросы. Узнать больше можно у менеджеров по телефону или через форму обратной связи на нашем сайте.
Источники фото: www.holod-tk.ru, www.citiholod.ru